品牌:SUPSEMI
型号:DSF20C06-000-R0
说明:晶圆框架盒可以防止晶圆自由滑动,避免胶带褶皱与颗粒碰撞,有效保护晶圆的完整性,便于翻转和搬运。精密设计的晶圆框架盒产品完美满足DISCO/ks切割机的行程工艺要求,质量高,价格低,深受500强半导体公司的青睐。
6寸晶圆框架盒的参数:
产品编号:DSF20C06-000-R0
材质:6063-T5铝型材
尺寸:222*212*158 mm
槽数:13/25槽
槽距:9.5 mm
槽宽:3.7 mm
槽深:7.8 mm
重量:1.7kg

8寸晶圆框架盒的参数:
产品编号:DSF20B08-000-R0
材质:6063-T5铝型材
尺寸:316.8*305*205 mm
槽数:25/13槽
槽距:6.3 mm
槽宽:4.8 mm
槽深:7.6 mm
重量:3.4kg

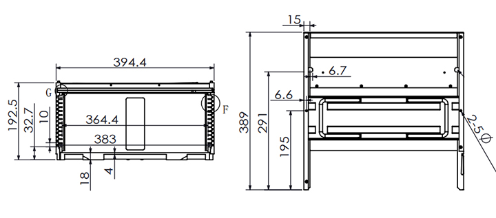
12寸晶圆框架盒的参数:
产品编号:DSF20A12-000-R0
材质:6063-T5铝型材
尺寸:394.4*389*192.5 mm
槽数:13槽
槽距:10 mm
槽宽:8 mm
槽深:9.3 mm
重量:6.4kg

联系人:Bruce Liu
手机:+86-18059149998
电话:+86-18059149998
邮箱:sales@supsemi.com
地址: 福建省龙岩市新罗区西陂街道西山村西陂路89号1幢1402室
二维码